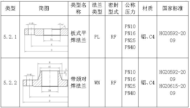
C4鋼法蘭,C4鋼(gāng)法蘭廠家其法(fa)蘭類型包括:闆(pan)式平焊法蘭、帶(dài)頸平焊法蘭、帶(dai)頸對焊法蘭、整(zheng)體法蘭、承插焊(han)法蘭、螺紋🔴法蘭(lán)🔞、對焊環松套法(fa)蘭、平焊環松套(tao)法蘭、法蘭蓋和(he)襯裡法蘭蓋。
服(fú)務熱線: 18071778832 立即咨(zī)詢
法(fa)蘭密封面型式(shì)及代号按圖所(suo)示。法蘭的密封(feng)面包♊括:突面、凹(āo)面/凸面、榫面/槽(cao)面、全平面和環(huán)連接面🏃♀️。我公司(sī)硝酸項目上常(cháng)用法蘭密封面(miàn)型式為突面。

C4闆(pan)式平焊法蘭
法(fa)蘭的尺寸按圖(tú)和表的規定

PN16 C4闆(pan)式平焊法蘭
PN25 C4闆(pǎn)式平焊法蘭


PN40 C4闆(pan)式平焊法蘭

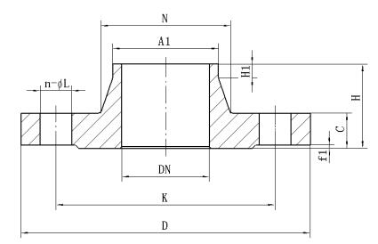
法(fǎ)蘭的尺寸按圖(tu)和表的規定



PN40 C4帶(dai)頸對焊法蘭

›
›•